安博足球
公司简介
安博anbo(中国)
产品中心
流体输送与控制
计量与消毒系统
气味控制及废气处理系统
应用案例
技术支持
流体输送与控制
计量与消毒系统
气味控制及废气处理系统
联系我们
FLUID DELIVERY AND CONTROL
以质量求生存、以信誉求发展、让未来生生不息
流体输送与控制
SCK系列内衬化工流程机械密封泵
MX标准系列内衬磁力驱动流程泵
MNK重载系列无密封化工磁力驱动泵
MNK/SCK-X系列内衬氟塑料涡流泵
MPB系列内衬氟塑料漩涡泵
MNK/SCK-S系列内衬自吸泵
KN/F(KNA/F)系列球阀
NK/F, NKL/F, NKL-C/F系列内衬氟塑料蝶阀
MV, MVA, MVM系列内衬氟塑料隔膜切断阀和调节阀
PA/F(PA/S)系列内衬氟塑料(金属)取样阀
CV, BC, SR, GR, RV, PRS系列止回阀和视镜
GS/F,GSO/F 内衬PFA过滤器
用于低压、真空环境及高粘度流体取样器
用于不稳定流体的针插式取样器
密闭钢瓶用于液气两相流体取样
密闭钢瓶用于液气两相流体取样
全密闭钢瓶取样器
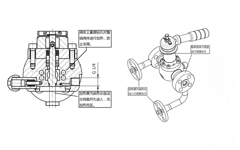
用于易凝固流体的取样器
应用于化学制药行业的取样器
强腐蚀性流体取样解决方案
特殊设计的定量取样器,适应于极端严苛条件下的取样
UPR系列反应器/罐顶取样器
BN系列
BV系列无密封塑料立式泵
BT系列非金属液下泵
碳化硅泵
HS系列
MS系列
MP系列
MM系列
二/三片式球阀(+280°C)
深冷低温球阀(-250°C)
高性能双锁泄放阀(检修时,各管线保持隔离)
罐底阀
时博入口
|
十大买球的正规网站
|
时博首页
|
九州登录
|
时博
|
开元(ky)中国官方网站入口网页版
|
亚投网登录平台入口官网
|
华体会球赛
|
万搏买球
|